|
液压墨盒
太阳螺旋盒特征二件浮式构造正因如此构造,Sun弹盒免除空格制造差异并提供最大阀性能保证从阀到阀重复性发运前,所有Sun弹盒都接受完全功能测试
|
|
|
Cavity插件
存取插件从Sun提供,以便从电路清除弹道阀门,同时保持液压系统完整性系统修复后需要冲刷、部件替换或改变电路内运算函数时往往需要这样做。存取插件在所有框架大小中都可用并用各种样式提供
|
 |
检查墨盒
太阳液压检查阀门与小物理尺寸相比流能力高太阳
检验盒可方便应用多项安装选项
- 可用自由流从端口1到端口2或端口2到端口1
- 三大端口封存
- 可操作压力达5000psi(350巴)
- 流容量达160gpm(600L/min.)
|
 |
电路保护器墨盒
太阳液压设计多组产品 违抗常规分类 我们称它为电路保护器帮助机器设计师绕道困难和混淆电路问题定期检查产品区以看到难解新产品、异常产品和帮助产品
|
 |
平衡墨盒
太阳螺旋盒特征二件浮式构造正因如此构造,Sun弹盒免除空格制造差异并提供最大阀性能保证从阀到阀重复性发运前,所有Sun弹盒都接受完全功能测试
|
|
|
库尔斯
|
 |
腐蚀自容墨盒
阀门拟用于腐蚀性环境外部组件用不锈钢或钛制造,并用1,000小时喷盐测试确定为ASTMB117-03在所有情况下,内部工作组件与标准阀门保持原样
|
 |
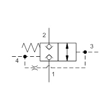
方向墨盒
太阳液压提供各种
单片非单片方向控制盒内含二向三向四向配置太阳方向控制墨盒使用多项安装选项可方便应用
- Pilot操作并指令双向和三向弹盒使用相同的空洞
- 六口操作墨盒
- 二维三维和四维单片盒带工业级单片
- 高压双向单片操作波贝阀,流容量达120gpm(480L/min.)
|
 |
方向性DP**DR**DV**Cartridges
|
|
|
Electro-Proportional Cartridges
太阳提供各种电控产品,由直接作用和实验操作版本组成直接作用版本包括比例流控、减/减和T-8A实验级降模型实验级救济可直接整合到各种主级元素中,形成实验操作救济和减少产品家庭基础
|
 |
流控墨盒
Sun液压2+3+4流控墨盒用于测量流控流控选项包括:
- 电量比特节流阀
- 针线阀门有或无自由流检查
- 可完全调整针管
- 压力补偿阀
- 3+4优先流控
|
 |
流分流墨盒
流分流器和流分流器/组合器墨盒滑动假脱机设备,用于分解或组合流各种应用太阳流分解器和流分解器/组合弹盒使用多安装选项可方便应用
- 提供精确划分和小尺寸合并精度
- 提供高流容量相对大小
- 可用同步版本双向静态错误校正
- 压至5000psi操作(350巴)
|
 |
加载控制平衡墨盒
太阳负载反应非负载控制阀门补充我们现有的运动控制产品线
|
|
|
加载控制valve,加载反弹墨盒
太阳负载响应
负载控制盒补充其他运动控制产品,共享与CB**、CA**和CW**抗衡阀门相同的空格
- CB**、CA**和CW**用相同的空格反平衡墨盒
- 特征低渗漏极优调
- 可调整固定版可用
- 可直接安装到电动器房内机房
|
 |
逻辑元素墨盒
太阳液压提供各种均衡和不平衡
逻辑交换墨盒可用于各种方向控制应用并提供逻辑调控压力和流控应用盒太阳逻辑盒使用多项安装选项可方便应用
- 提供机设计师逻辑电路设计几乎无限弹性
- 可使用Sun实验产品远程实验
包括接受
- 太阳实验控制直接插进逻辑墨盒的hex端
- 包括密封实验版本以防止实验端与工作端泄漏
|
 |
试开检查墨盒
Sun水力测试盒非调制、脱机设备,用于将负载或启动器置置置太阳对开检查盒可直接嵌入驱动器或使用多安装选项多元程序应用
- 提供防软管中断保护
- 积极锁定加压负载
- 非发明版(3港)和喷口版(3港和4港)
- 物理互换平衡盒(相同端口、相同空格、相同框架流路)
|
 |
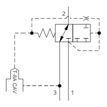
Pilot控件-方向墨盒
太阳液压器提供许多小单片和非单片实验阀门,可用以提供定向引导控制T-8A洞口特征的实验控件也可以直接安装到Sun许多实验操作和可通风墨盒的ex端以提供综合实验控件实验提供包括:
- 双向和三向5000psi(350巴)单片盒
- 流水操作二分位对二分位对三分引导墨盒
- 空控二选二选三试控
- 手操作二位双向间歇试控
|
|
|
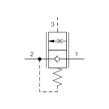
Pilot控件流控
双端试验针动脉完全可调适设备,用于调节主级阀流或低流应用表流/流弹盒设计实验流应用并使用SunT-8A空洞,以便与Sun实验操作主级阀门并用
|
 |
实验控制-卸载墨盒
|
 |
减少墨盒
太阳液压减少墨盒有不同版本可用,使用多安装选项可方便应用
- 功能互换减退墨盒
- 5尺寸流率80gpm(320L/min.)
- 完全可调整至并含4500psi315巴,插件压力达5000psi(350巴)(除空试版外)
|
 |
减少/救回Cartridges
太阳液压还原/还原墨盒有不同版本,使用多项安装选项可方便应用
- 可互换功能互换性(同流路径,给定框架大小相同空洞)
- 5尺寸流率80gpm(320L/min.)
- 完全可调整至并含4500psi315巴,插件压力达5000psi(350巴)(除空试版外)
- 减少/撤销墨盒以三叉和四叉配置提供
|
|
|
救济墨盒
太阳液压提供多种不同压力限制和压力调控松散弹盒,使用多项安装选项可方便应用
- 二叉三叉四叉
- 可功能互换性(只有实验版本除外),阀门数目相同(流路相同,框架大小相同空洞不变)
- 5尺寸流速达200gm(800L/min.)
- 版本可用综合实验控制空格接受SunT-8A实验压力控件-电比例或充气
- 完全可调整至并含5000psi(350巴)(6,000psi(420巴间歇性)(除空试版外)
|
 |
elease-Cartridges检验后
松散检查盒是混合阀门 内装直接动作松散打字检查阀流从插件(port2)到系统端口(port1)。系统压力(端口1)到达松动阀设置时,阀门向罐口开关(端口3),流波限制压力上升流畅宁静 基本零漏 容泥性 免沉浸 快速
|
 |
救济-检验墨盒前
|
 |
序列墨盒
流水体序列盒类似于松散弹盒,除非飞行员单独排水,以免阀门设置受出口端压力影响太阳序列盒使用多项安装选项可方便应用
- 可互换功能互换性(同流路径,给定框架大小相同空洞)
- 提供五大流率达120gpm(480L/min.)
- 完全可调整范围广达并包括5000psi(350巴)(6,000psi(420巴)间歇性)(除空试版外)
|
|
|
飞机valve墨盒
太阳液压提供各种二、三和四港穿梭弹盒所有穿梭弹盒按5000psi压力操作(350巴)。
- 单球穿梭带或带外端
- 背对背检查盒外端
- 低端(热油)流水传输穿梭
- 高端阻塞中心穿梭
- 高侧春偏二位双向穿梭
|
 |
划船valve插入样式
单球穿梭机连接两个工作端口上端到信号或公共端口信号2端口检测
|
 |
单片操作墨盒
太阳单片盒以全流或试运行版提供全流函数双向、三向和四向函数并发实验盒双向和三向函数满流墨盒特征工业级单片机和试播片评为高压无渗漏操作
|
 |
|
|
|
人工页
太阳提供线上挂起机、电机挂起机、三文治和子板插件,均选用铝3000psi/210bar或软铁5000psi/350bar端口选择包括线程代码61和代码代码62法兰除标准方程外,Sun设计制造自定义方程用于应用特定需求
|
|
|
线上挂起人工页
太阳提供300多单次多孔标准线加方数,选铝3000psi/210bar或软铁5000psi/350bar中都可用港口包括WCF、SAE、BSPP和Code61和Code62fran
|
 |
桑威奇人工页
sun提供非单片二维函数接口尺寸ISO2至ISO08比任何其他三维阀门制造商都多所有三明治都选用铝210巴或软铁5000psi/350巴多功能可用解决硬电路问题
|
 |
子板打字
ISO 03通过ISO 08接口提供Sun子板,每个接口选择铝3000psi/210bar或电带铁5000psi/210bar提供子板提供侧移植、后移植或侧移植加垫架槽口
|
 |
机上人工折叠
Sun液压制造各种压力控制、流控和负载控制元件加固配置与许多商业液压电机的螺旋模式匹配,包括但不限于:Eaton/Char-Lynn、Danfoss、Staffa、HPI、Wite和TRW Ross电机加注全数选择铝(3000psi/210bar)或管道铁(5000psi/350bar)。
|
|
|
标准valve包
太阳开发出选集常用液压函数通常这些组件包括两个或两个以上不同墨盒并分各种安装选项
|
|
|
线山
|
 |
桑威奇
|
 |
单片操作大会交叉引用
|
 |
|
|
|
自定义开关包
Sun液压制造自定义开关包或valvepaksvalvepaks由标准螺旋盒阀组成,嵌入自定义多管客户液压电路开发后,即整合成单自定义多元件,设计成适配定址使用Sun开关解析法对客户的好处包括排序简化、压缩装配时间和成本并整合液压控制系统
所有设施使用相似流程设计制造自定义开关插片,由Sun全套螺旋体液压管支持T-6061铝板3000psi/210bar或65-45-12高强度电缆铁板5000psi/350bar
Sun开关法之美是 都使用现场验证 标准墨盒开关组件 并浮动构造由于我们弹片阀的固有可靠性,定制开片机通常不需安装高价精密测试
|
|
|
|
 |
|
 |
|
 |
|
|
|
放大器-嵌入式电子-和放大器存取符
太阳新装门数字放大器的成比例产品范围设计易组装并满足客户独有需求太阳电水阀门嵌入式电子可提供各种控制配置和连接器选项,对移动应用和工业应用都是理想的。Sun还提供插件样式放大器使用这两个放大器解析法,可贴近激活器安装阀门提高性能系统管道布线简化
太阳放大器产品很容易使用手持程序员和红外适配电缆编程参数设置既可监控也可调整
|
|
|
手持程序员
|
 |
嵌入式电子
|
 |
放大器
|
 |
|